What Makes Double Ridge Waveguide Rotary Joints Essential for 5G and Satellite Systems?
In today's rapidly evolving telecommunications landscape, system engineers face critical challenges when designing 5G base stations and satellite communication networks that require continuous 360-degree rotation while maintaining signal integrity across wide frequency ranges. The answer to maintaining seamless microwave signal transmission during continuous rotation lies in the advanced engineering of Double Ridge Waveguide Rotary Joints. These specialized components solve the fundamental problem of signal degradation that occurs when traditional waveguides attempt to transmit high-frequency signals through rotating mechanical assemblies, making them absolutely essential for next-generation wireless infrastructure and space communication systems.
The Technical Foundation of Double Ridge Waveguide Rotary Joint Performance
Advanced Design Architecture for High-Frequency Applications
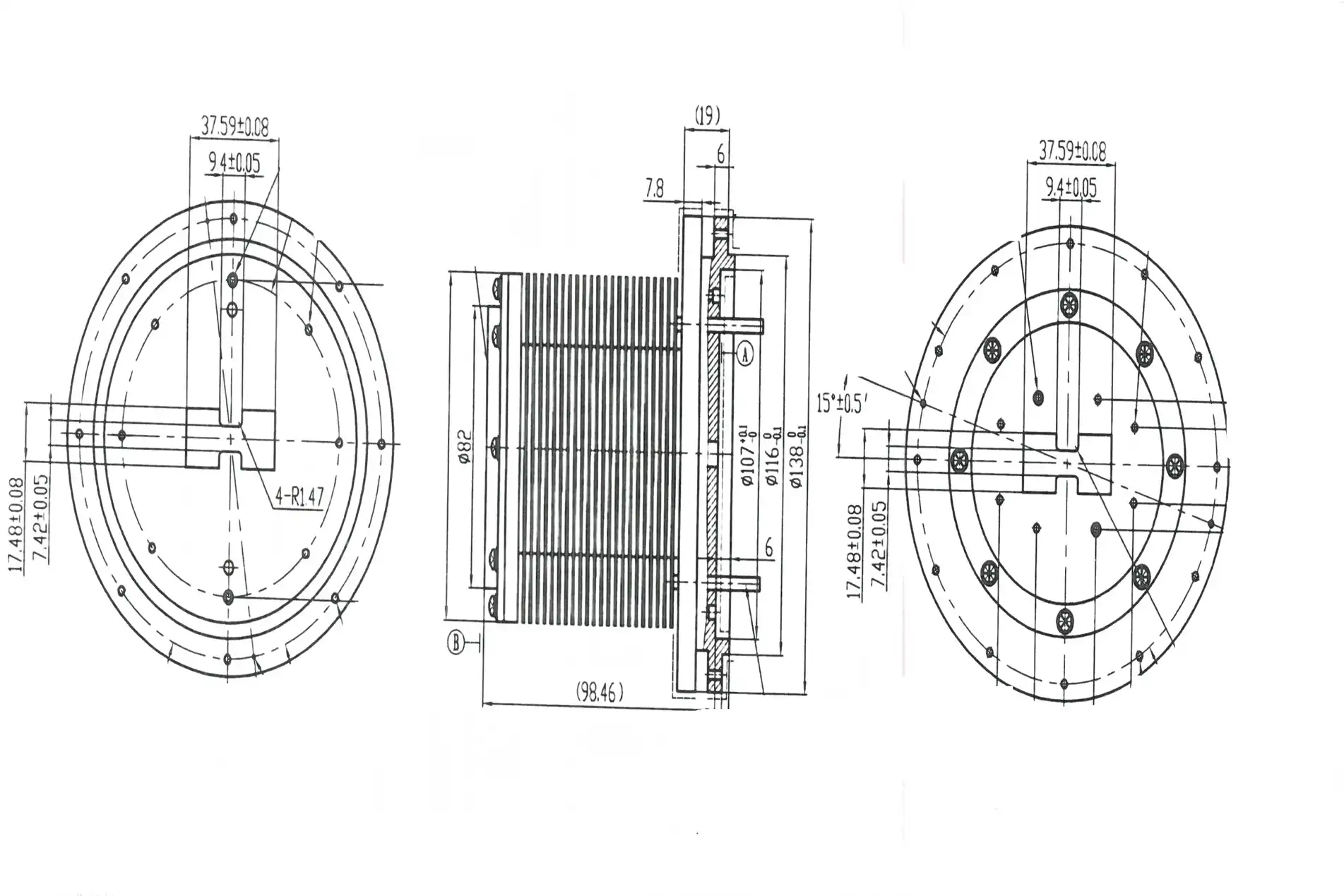
The Double Ridge Waveguide Rotary Joint represents a significant advancement in microwave transmission technology, specifically engineered to address the demanding requirements of modern 5G and satellite systems. Double ridged designs maintain consistent impedance (50-75 Ω) across a 2:1 to 4:1 bandwidth, making them indispensable in radar, satellite, and 5G systems. This exceptional bandwidth capability stems from the unique internal ridge structure that fundamentally alters the electromagnetic field distribution within the waveguide, allowing for superior performance across frequency ranges that would be impossible with conventional rectangular waveguides. The engineering excellence of Advanced Microwave Technologies' Double Ridge Waveguide Rotary Joint lies in its ability to maintain electrical continuity while accommodating mechanical rotation. The device transfers microwave energy from a fixed transmission line to a rotating line through precisely machined contact interfaces that minimize signal reflection and insertion loss. The rigorous electrical and mechanical design ensures that RF performance remains consistent throughout the rotation cycle, with VSWR maintained below 1.3:1 across the operational frequency range extending up to 110 GHz.

Superior Electromagnetic Performance Characteristics
The electromagnetic properties of Double Ridge Waveguide Rotary Joints make them particularly suitable for high-frequency applications where signal fidelity is paramount. Unlike traditional rectangular waveguides that exhibit frequency-dependent behavior and limited bandwidth, the double ridge configuration provides exceptional broadband performance. The internal ridge structure creates a controlled impedance environment that supports multiple propagation modes while suppressing unwanted resonances that could degrade signal quality. Advanced Microwave Technologies' implementation features low insertion loss characteristics that ensure minimal signal degradation during transmission. This is achieved through precision manufacturing techniques that maintain exact dimensional tolerances throughout the rotating interface. The company's 24m Microwave Darkroom testing facility, with its comprehensive frequency range of 0.5 to 110 GHz, enables thorough validation of each Double Ridge Waveguide Rotary Joint's performance characteristics, ensuring that every component meets the stringent requirements of 5G and satellite applications.
Critical Applications in 5G Infrastructure Systems
Enabling Dynamic Beam Steering and Network Optimization
In 5G and emerging 6G infrastructure, enable the implementation of rotating or scanning antenna arrays that can dynamically adjust coverage patterns to optimize network performance based on changing user distribution and traffic demands. The Double Ridge Waveguide Rotary Joint plays a crucial role in enabling these advanced antenna systems by providing the mechanical flexibility required for continuous rotation while maintaining the electrical performance necessary for multi-gigabit data transmission. Modern 5G base stations increasingly rely on adaptive antenna arrays that must physically rotate to provide optimal coverage patterns throughout the day. As user density and traffic patterns change, these systems require the ability to mechanically reorient antenna elements while maintaining uninterrupted service. The Double Ridge Waveguide Rotary Joint enables this functionality by providing a reliable connection between the fixed RF infrastructure and the rotating antenna elements, ensuring that signal quality remains consistent regardless of antenna position.
Multi-Band Operation and Frequency Flexibility
The evolution of 5G technology demands components capable of supporting multiple frequency bands simultaneously, from sub-6 GHz frequencies used for wide-area coverage to millimeter-wave frequencies above 24 GHz required for high-capacity applications. The double ridge configuration provides the wide bandwidth necessary to support multi-band operation across diverse frequency allocations, making it an ideal solution for modern 5G infrastructure that must accommodate various spectrum assignments and use cases. Advanced Microwave Technologies' Double Ridge Waveguide Rotary Joint supports frequencies up to 110 GHz, encompassing all current and planned 5G frequency allocations. This extensive frequency coverage ensures that network operators can deploy these components across their entire infrastructure, from low-band coverage layers to high-band capacity layers, without requiring different rotary joint technologies. The consistent performance across this wide frequency range reduces system complexity and maintenance requirements while providing the flexibility needed for future network evolution.
Essential Role in Satellite Communication Systems
Satellite Ground Station Applications and Signal Integrity
A Waveguide Rotary Joint is essential in systems requiring rotation of parts, such as radar antennas and satellite communication dishes, ensuring continuous signal transmission during tracking operations. Satellite ground stations represent one of the most demanding applications for Double Ridge Waveguide Rotary Joints, where maintaining signal integrity while tracking fast-moving satellites across the sky is critical for mission success. The Double Ridge Waveguide Rotary Joint enables satellite ground stations to maintain continuous communication links with orbiting satellites by providing the mechanical rotation capability needed for antenna tracking while preserving the electrical performance required for high-data-rate transmissions. Advanced Microwave Technologies' designs incorporate precision bearing systems and advanced sealing technologies that ensure reliable operation in harsh outdoor environments, including temperature extremes, humidity variations, and mechanical vibrations that are common in satellite ground station installations.
Space-Qualified Performance and Reliability
Satellite communication systems demand the highest levels of reliability and performance, as maintenance opportunities are extremely limited once systems are deployed. The Double Ridge Waveguide Rotary Joint must operate flawlessly for years without degradation, maintaining consistent electrical performance throughout millions of rotation cycles. Advanced Microwave Technologies addresses these requirements through comprehensive environmental testing and quality assurance procedures that validate component performance under simulated space conditions. The company's ISO 9001:2015 certification ensures that every Double Ridge Waveguide Rotary Joint meets rigorous quality standards throughout the manufacturing process. From initial design validation using the 24m Microwave Darkroom facility to final inspection and testing, each component undergoes extensive verification to ensure it meets the demanding requirements of satellite communication applications. The use of high-quality materials such as aluminum and brass, combined with advanced manufacturing techniques, results in components that provide long-term reliability in the challenging satellite communication environment.

Advanced Manufacturing and Customization Capabilities
Precision Engineering and Quality Assurance
The manufacturing of Double Ridge Waveguide Rotary Joints requires exceptional precision and attention to detail, as even minor dimensional variations can significantly impact RF performance. Advanced Microwave Technologies leverages over 20 years of microwave manufacturing experience to produce components that meet the most demanding specifications. The company's laboratories are equipped with advanced measurement equipment capable of characterizing component performance up to 110 GHz, ensuring that every Double Ridge Waveguide Rotary Joint meets its published specifications. The manufacturing process incorporates advanced CNC machining capabilities that maintain dimensional tolerances measured in thousandths of an inch. Critical surfaces are finished using specialized techniques that minimize surface roughness and ensure optimal electrical contact throughout the rotation cycle. Quality control procedures include comprehensive electrical testing of each component, with performance verification conducted using calibrated test equipment traceable to national standards.
Customization for Specific Application Requirements
Understanding that different applications have unique requirements, Advanced Microwave Technologies offers extensive customization capabilities for Double Ridge Waveguide Rotary Joints. The engineering team can modify design parameters including frequency range, power handling capability, mechanical interface specifications, and environmental protection levels to meet specific customer requirements. This flexibility enables optimal integration into customer systems while maintaining the superior performance characteristics that make these components essential for 5G and satellite applications. The OEM services program provides comprehensive support for customers requiring specialized solutions. From initial design consultation through prototype development and full-scale production, Advanced Microwave Technologies works closely with customers to develop Double Ridge Waveguide Rotary Joint solutions that meet exact specifications. The company's rapid prototyping capabilities enable quick turnaround times for evaluation samples, allowing customers to validate performance in their specific applications before committing to production quantities.
Conclusion
Double Ridge Waveguide Rotary Joints have become indispensable components in modern 5G and satellite communication systems due to their unique ability to maintain superior electrical performance while enabling mechanical rotation. Advanced Microwave Technologies' expertise in precision manufacturing and comprehensive testing ensures that these critical components meet the demanding requirements of next-generation wireless infrastructure.
Cooperate with Advanced Microwave Technologies Co., Ltd.
As a leading China Double Ridge Waveguide Rotary Joint manufacturer with over 20 years of experience, Advanced Microwave Technologies Co., Ltd. offers comprehensive solutions for demanding microwave applications. Our state-of-the-art 24m Microwave Darkroom facility enables precise testing up to 110 GHz, while our ISO-certified manufacturing processes ensure consistent quality. As a trusted China Double Ridge Waveguide Rotary Joint supplier, we provide customized OEM services, rapid prototyping, and expert technical support. Whether you need High Quality Double Ridge Waveguide Rotary Joints for sale or competitive Double Ridge Waveguide Rotary Joint pricing, our China Double Ridge Waveguide Rotary Joint factory delivers superior products with fast turnaround times. Contact craig@admicrowave.com for your Double Ridge Waveguide Rotary Joint wholesale requirements and experience our commitment to excellence in microwave technology solutions.
FAQ
Q: What frequency range do Double Ridge Waveguide Rotary Joints support for 5G applications?
A: They support frequencies from 0.5 to 110 GHz, covering all current and planned 5G frequency allocations including millimeter-wave bands.
Q: How do these rotary joints maintain signal integrity during continuous rotation?
A: They use precision-machined contact interfaces and advanced bearing systems to maintain electrical continuity with VSWR below 1.3:1 throughout rotation.
Q: What makes double ridge design superior for satellite communication systems?
A: The double ridge configuration provides 2:1 to 4:1 bandwidth with consistent impedance, essential for multi-band satellite operations.
Q: Can these rotary joints be customized for specific application requirements?
A: Yes, Advanced Microwave Technologies offers extensive customization including frequency range, power handling, and environmental specifications.
References
1. "Microwave Engineering: Passive Circuits" by Peter A. Rizzi, IEEE Microwave Theory and Techniques Society
2. "Waveguide Handbook" by Nathan Marcuvitz, Institution of Engineering and Technology
3. "Satellite Communications Systems: Systems, Techniques and Technology" by Gerard Maral, Michel Bousquet, and Zhili Sun
4. "5G Mobile Communications" by Kyungwhoon Cheun, Korea Advanced Institute of Science and Technology
YOU MAY LIKE
VIEW MOREDouble Ridge Straight Waveguide
VIEW MOREDouble Ridge Waveguide Transition
VIEW MOREDouble Ridged Flexible Waveguide
VIEW MOREDouble Ridge Waveguide Load
VIEW MOREDouble Ridge Waveguide Rotary Joint
VIEW MOREDouble-Ridged Waveguide Broadwall Directional Coupler
VIEW MOREWaveguide Flange Gasket
VIEW MOREWaveguide Adjustable Support



