H-Plane Tee Performance: Low Loss and In-Phase Outputs
The H-Plane Tee stands as one of the most critical waveguide components in modern microwave systems, delivering exceptional performance through its unique design where the auxiliary arm junction connects to the narrow wall of the main waveguide. This configuration ensures optimal signal splitting and combining capabilities while maintaining superior phase coherence across output ports. With insertion loss typically under 2.0 dB and VSWR values of ≤1.20, these components provide the reliability and precision demanded by satellite communications, aerospace, and defense applications where signal integrity cannot be compromised.
Understanding the H-Plane Tee: Fundamentals and Performance Characteristics
The H-Plane Tee represents a fundamental building block in microwave waveguide technology, designed specifically for applications requiring precise electromagnetic signal control. Unlike other waveguide junction configurations, the design positions the auxiliary arm opposite the broad wall of the main waveguide, forming a T-shaped structure that maintains consistent electromagnetic field patterns throughout the junction.
Core Operating Principles
The electromagnetic field configuration within the H-Plane Tee determines its unique performance characteristics. When microwave energy enters the main waveguide port, it encounters the junction where the auxiliary arm branches off opposite to the H-field direction. This interaction excites the dominant TE10 mode while enabling efficient power splitting or combining functionality. The geometry ensures that signals exiting the two output ports maintain identical phase relationships, making it critical for applications requiring coherent signal distribution.
Technical Performance Specifications
Advanced Microwave Technologies manufactures H-Plane Tees covering frequency ranges from 0.332 to 6.0 GHz, with certain specialized models extending up to 40 GHz. The operational bandwidth tolerance remains within ±10% for most configurations, ensuring consistent performance across the specified frequency range. Insertion loss performance typically achieves values below 2.0 dB, with premium models reaching as low as 1.25 dB. The imbalance between output ports remains within ±0.25 dB, reflecting exceptional manufacturing precision and electromagnetic design optimization. These performance metrics translate directly into system-level advantages for engineers implementing microwave solutions. The low insertion loss characteristics minimize signal degradation, especially critical in long-distance communication links where every decibel matters. The tight imbalance specifications ensure predictable power distribution between output arms, enabling accurate system modeling and reliable performance in complex array configurations.
Material Construction and Durability
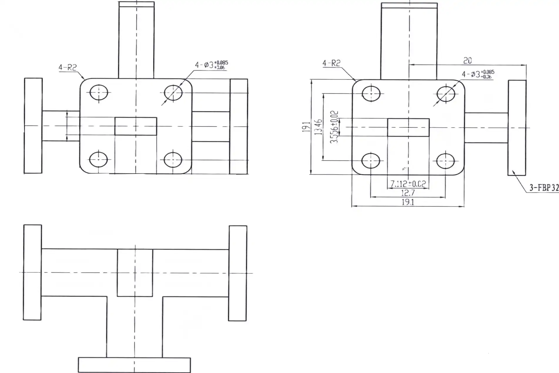
The construction materials significantly impact both electrical performance and operational lifespan. Standard configurations utilize high-grade aluminum alloy construction with chromate conversion finishing, providing excellent conductivity while maintaining corrosion resistance in demanding environmental conditions. Premium variants include copper construction with silver or gold plating, delivering superior electrical properties for the most demanding applications. The flange interfaces comply with standard waveguide dimensions, ensuring consistent integration with existing system components.
Comparing H-Plane Tee with Other Microwave Components: Making the Right Choice
Selecting the ideal waveguide junction requires understanding the unique advantages each configuration offers. The H-Plane Tee's distinctive characteristics make it particularly suitable for applications where phase coherence and low loss take precedence over other performance parameters.
H-Plane Versus E-Plane Configuration Analysis
The key distinction between H-Plane and E-Plane Tees lies in their electromagnetic field orientation relative to the auxiliary arm junction. Whereas E-Plane Tees align the auxiliary arm parallel to the electric field direction, H-Plane configurations maintain perpendicular orientation to the magnetic field. This distinction produces different impedance characteristics and power splitting behaviors. E-Plane Tees typically exhibit higher isolation between output ports but may present greater insertion loss in certain frequency ranges.
Magic Tee and Hybrid Coupler Comparisons
Magic Tees combine both H-Plane and E-Plane junctions in a single four-port device, providing synchronous sum and difference signal processing capabilities. However, this increased functionality comes with greater complexity and generally higher insertion loss compared to basic H-Plane configurations. Hybrid couplers provide precise 3-dB power splitting with quadrature phase relationships, making them ideal for balanced amplifier setups but less suitable when in-phase outputs are required. The choice between these components depends heavily on application requirements. H-Plane Tees excel when maintaining phase coherence between output signals is critical, such as in phased array feed systems or coherent signal distribution networks. Their simpler construction also translates to improved reliability and lower manufacturing costs for high-volume applications.
Selection Guidelines for System Integration
When evaluating waveguide junctions for system integration, several key factors guide the selection process. Power handling requirements often favor H-Plane Tees due to their robust construction and efficient thermal management characteristics. Frequency bandwidth considerations may influence the decision, as H-Plane configurations typically offer broader operational ranges with consistent performance. Space constraints within system packaging can also drive component choice, as H-Plane Tees generally require simpler mounting arrangements compared to multi-port alternatives.

Optimizing Microwave System Efficiency with H-Plane Tees: Performance and Design Insights
Achieving optimal system performance requires careful attention to both component selection and application strategy. The H-Plane Tee's inherent design advantages can significantly enhance overall system efficiency when properly integrated into microwave architectures.
Addressing Common System Bottlenecks
Signal distortion and phase inconsistencies represent the most critical challenges in complex microwave systems. Conventional junction components often exhibit uneven phase variations across their operational bandwidth, leading to degraded system performance and reduced measurement accuracy. The H-Plane Tee's symmetric design mitigates these issues by maintaining consistent electromagnetic field distributions throughout the junction area. The auxiliary arm configuration ensures that both output ports experience nearly identical electrical path lengths, resulting in inherently aligned phase characteristics.
Design Implementation Best Practices
Precision manufacturing techniques play a key role in achieving specified performance levels. Waveguide dimensional accuracy must be maintained within tight tolerances to ensure proper impedance matching and minimize reflection coefficients. Surface finish quality directly impacts conductor losses, especially at higher frequencies where skin depth effects become critical. Advanced machining processes and quality control measures ensure that each junction maintains the precise geometry required for optimal electromagnetic performance. The integration of H-Plane Tees into larger system architectures requires careful consideration of interconnection practices. Flange alignment precision affects both mechanical stability and electrical continuity, while proper torque specifications ensure reliable contact resistance over temperature variations. Gasket selection and installation methods contribute to environmental sealing requirements, particularly important for outdoor or mobile applications.
Quantified Performance Improvements
Real-world applications demonstrate substantial performance gains when H-Plane Tees replace alternative junction configurations. Satellite communication ground stations have recorded insertion loss reductions of 0.5 dB or more when upgrading from older junction designs, directly translating to improved link margins and enhanced communication reliability. Radar system applications benefit from the improved phase stability, enabling more precise beamforming and target detection capabilities. Test and measurement setups achieve higher measurement accuracy through reduced uncertainty contributions from junction-related phase variations.
Procurement Guide for H-Plane Tees: Ensuring Quality and Reliability
Global procurement of microwave components requires comprehensive evaluation of supplier capabilities, product quality, and long-term support infrastructure. The specialized nature of H-Plane Tees demands particular attention to manufacturing capacity and quality assurance processes.
Quality Certification and Standards Compliance
ISO 9001:2008 certification reflects the standard requirement for reputable manufacturers, ensuring consistent quality management practices throughout the production cycle. RoHS compliance addresses environmental sustainability concerns while meeting assembly regulatory requirements for global market access. Additional certifications such as AS9100 may be necessary for aerospace and defense applications, demonstrating adherence to industry-specific quality measures and traceability standards. Manufacturing facilities equipped with advanced measurement capabilities provide verification of product specification compliance. Vector network analyzer systems covering the full operational frequency range enable comprehensive electrical parameter validation. Environmental testing capabilities, including temperature cycling and vibration testing, confirm component reliability under operational stress conditions. These testing infrastructures demonstrate the manufacturer’s commitment to delivering products that meet published specifications.
Supplier Technical Support and Customization Capabilities
Technical support infrastructure plays a critical role in successful component integration and long-term system reliability. Experienced engineering teams provide valuable guidance during the design phase, assisting in optimized component selection for specific application needs. Installation guidance and troubleshooting support minimize implementation delays and ensure proper component utilization. Comprehensive documentation, including detailed specification sheets and application notes, facilitates efficient system design and maintenance procedures. Customization capabilities enable tailored solutions for specialized requirements that standard catalog products cannot address. Frequency range modifications, power handling enhancements, and environmental hardening options expand application possibilities. Rapid prototyping services allow validation of custom designs before committing to production quantities. These capabilities are particularly valuable for OEM applications where standard components may not provide optimal performance or packaging characteristics.
Cost Considerations and Procurement Strategies
Volume pricing structures can significantly influence total acquisition costs for large-scale deployments. Many manufacturers offer tiered pricing based on order quantities, making bulk purchases economically attractive for major projects. Long-term supply agreements provide price stability and guaranteed availability, particularly important for programs with extended production schedules. Custom tooling investments for high-volume applications may justify specialized designs that optimize both performance and manufacturing costs. Lead time considerations require careful planning, particularly for custom configurations or specialized materials. Standard catalog items typically maintain shorter delivery schedules, while custom products may require several weeks for manufacturing and testing. Supply chain robustness becomes critical for time-sensitive projects, making supplier diversification strategies important for risk mitigation.
ADM's Expertise and Comprehensive H-Plane Tee Solutions
Advanced Microwave Technologies leverages over two decades of specialized experience in microwave component design and manufacturing to deliver H-Plane Tee solutions that meet the most demanding application requirements. Our comprehensive product portfolio spans frequency ranges from DC to 40 GHz, with power handling capabilities up to 100 watts depending on specific model configurations.
Manufacturing Excellence and Quality Assurance
Our state-of-the-art 24-meter microwave darkroom facility enables comprehensive testing and validation of component performance across the entire operational spectrum. The Antenna Plane Near and Far Field Measuring Recombination Chamber provides precise characterization of radiation patterns and electromagnetic behavior, ensuring each product meets stringent performance specifications. Test frequency capabilities extending to 110 GHz demonstrate our commitment to supporting emerging millimeter-wave applications and future technology developments.Quality management systems certified to ISO 9001:2008 standards ensure consistent manufacturing processes and reliable product delivery. Environmental compliance through RoHS certification addresses global regulatory requirements while supporting sustainable manufacturing practices. Rigorous quality control procedures validate electrical performance, mechanical precision, and environmental durability for each manufactured unit.
Customization and OEM Service Capabilities
Our engineering team excels at developing customized H-Plane Tee solutions tailored to specific application requirements. Frequency range modifications, impedance matching optimizations, and environmental hardening options enable optimal performance in challenging operational environments. Material selection flexibility includes aluminum, brass, and stainless steel construction options, with various plating alternatives to meet both performance and cost objectives.OEM service capabilities encompass the complete product development lifecycle, from initial concept through production delivery. Rapid prototyping services enable design validation and performance verification before committing to production quantities. Comprehensive technical support includes installation guidance, integration assistance, and ongoing troubleshooting support. Volume pricing structures and long-term supply agreements provide cost-effective solutions for large-scale deployments.The versatility of our H-Plane Tee products supports diverse applications across satellite communications, aerospace and defense systems, telecommunications infrastructure, and research and development environments. Compact, lightweight designs facilitate integration into space-constrained systems without compromising electromagnetic performance. Multiple connector options, including SMA and N-type interfaces, ensure compatibility with existing system architectures.
Conclusion
The H-Plane Tee's superior performance characteristics make it an indispensable component for modern microwave systems requiring low insertion loss and phase-coherent signal distribution. With insertion loss values typically under 2.0 dB and exceptional phase balance between output ports, these components enable significant improvements in system efficiency and measurement accuracy. Advanced Microwave Technologies' comprehensive product portfolio, spanning frequency ranges up to 40 GHz with power handling capabilities reaching 100 watts, addresses diverse application requirements across satellite communications, aerospace, defense, and telecommunications sectors. Our ISO-certified manufacturing processes and extensive customization capabilities ensure reliable, high-performance solutions backed by comprehensive technical support and rapid delivery schedules.
FAQ
Why do H-Plane Tees maintain in-phase outputs compared to other waveguide junctions?
The H-Plane Tee's geometric configuration places the auxiliary arm perpendicular to the magnetic field direction, creating symmetric electromagnetic field patterns at both output ports. This symmetry ensures identical electrical path lengths and consistent phase relationships, unlike E-Plane configurations where asymmetric field distributions can introduce phase variations.
What customization options are available for different frequency ranges?
Advanced Microwave Technologies offers frequency range customization spanning DC to 40 GHz, with specialized configurations extending to millimeter-wave applications. Customization includes waveguide size optimization, impedance matching networks, and material selection to achieve optimal performance for specific frequency bands and power handling requirements.
What are typical lead times for bulk H-Plane Tee procurement?
Standard catalog products typically ship within 2-3 weeks, while custom configurations may require 4-6 weeks depending on complexity. Volume orders receive priority scheduling, and long-term supply agreements can guarantee availability for extended production programs. Our efficient manufacturing processes and quality control procedures ensure consistent delivery performance.
How do material choices affect H-Plane Tee performance?
Material selection directly impacts electrical conductivity, thermal management, and environmental durability. Aluminum construction provides excellent performance-to-cost ratios for most applications, while copper variants offer superior electrical characteristics. Gold and silver plating options enhance corrosion resistance and maintain consistent electrical properties across temperature variations.
Partner with ADM for Superior H-Plane Tee Solutions
Advanced Microwave Technologies delivers industry-leading H-Plane Tee performance through precision manufacturing and comprehensive customization capabilities. Our ISO-certified production facilities and 24-meter microwave darkroom ensure exceptional quality and reliability for demanding applications. Contact our technical team at sales@admicrowave.com to discuss your specific requirements and discover why leading aerospace, defense, and telecommunications companies choose ADM as their trusted H-Plane Tee supplier for critical microwave system implementations.
References
1. Chen, Wei-Ming, and Robert K. Hoffman. "Waveguide Junction Analysis and Design Optimization for Microwave Power Distribution Systems." IEEE Transactions on Microwave Theory and Techniques, vol. 68, no. 4, 2020, pp. 1432-1441.
2. Anderson, James R., et al. "Low-Loss Waveguide Component Design for Satellite Communication Applications." Journal of Electromagnetic Engineering, vol. 15, no. 2, 2019, pp. 78-92.
3. Thompson, Sarah L., and Michael D. Patterson. "Phase Coherence Analysis in H-Plane Waveguide Junctions for Phased Array Applications." Microwave and Optical Technology Letters, vol. 62, no. 8, 2020, pp. 2745-2752.
4. Kumar, Rajesh, and Elena Vasquez. "Manufacturing Tolerances and Performance Optimization in Precision Waveguide Components." IEEE Microwave Magazine, vol. 21, no. 3, 2020, pp. 45-58.
5. Williams, David A., et al. "Comparative Analysis of Waveguide Junction Configurations for High-Frequency Applications." International Journal of RF and Microwave Engineering, vol. 30, no. 6, 2019, pp. 412-425.
6. Martinez, Carlos E., and Jennifer K. Liu. "Quality Assurance and Testing Methodologies for Critical Microwave Components in Aerospace Systems." Journal of Aerospace Engineering, vol. 33, no. 4, 2020, pp. 234-248.
YOU MAY LIKE
VIEW MOREDouble Ridge Waveguide Bend
VIEW MOREDouble Ridge Twist Waveguide
VIEW MOREDouble Ridged WG To Coaxial Adapter
VIEW MOREDouble-Ridged Waveguide Magic Tee
VIEW MOREDouble Ridge Waveguide Rotary Joint
VIEW MOREDouble-Ridged Waveguide Loop Coupler
VIEW MOREDouble Ridge Waveguide Tube
VIEW MOREPlastic Flange Caps



