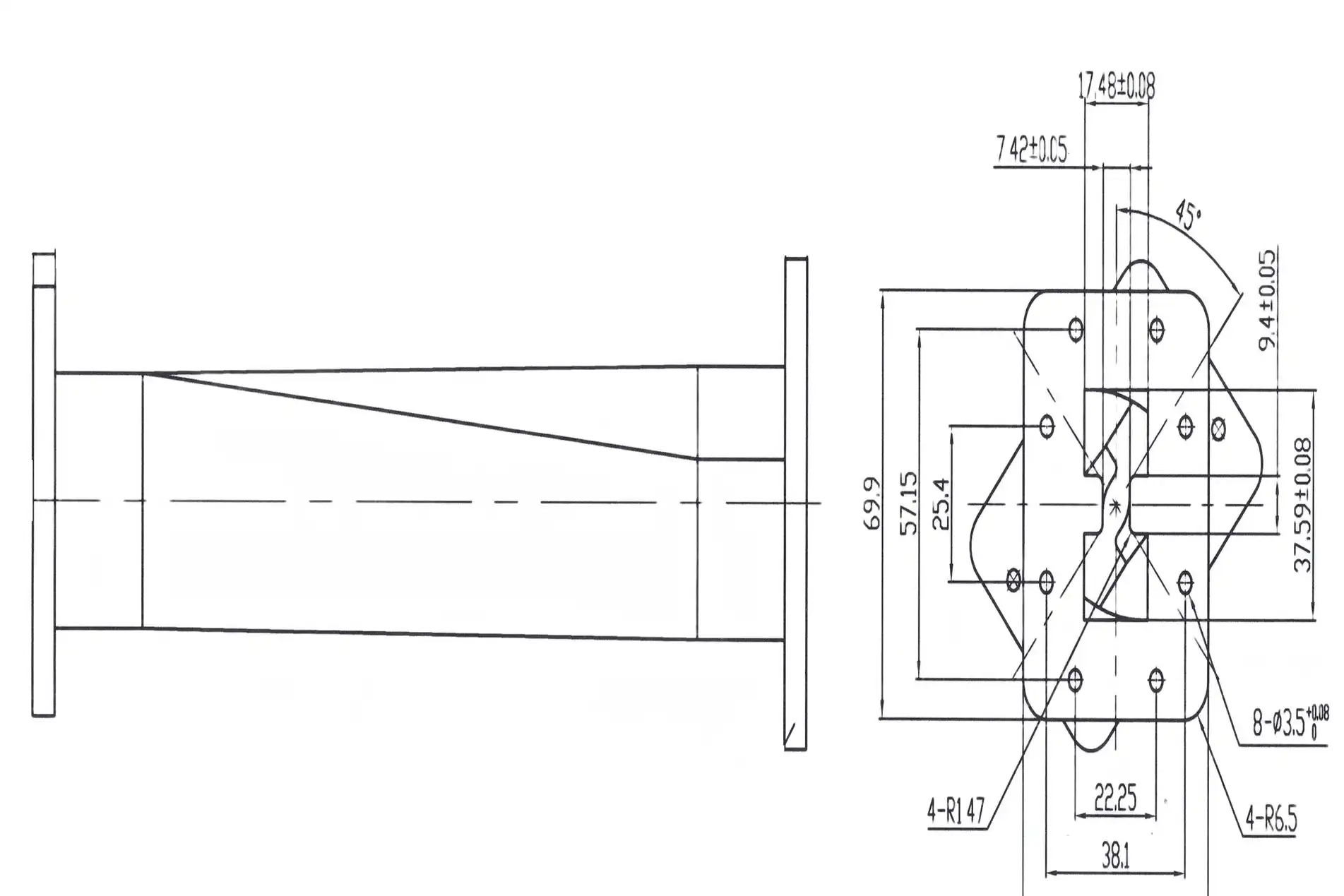
Double Ridge Twist Waveguide
Double Ridge Twist Waveguide Introduction
The Double Ridge Twist Waveguide is a high-performance microwave component engineered to ensure efficient signal transmission across various frequencies. Designed for applications requiring precise wave polarization or routing within tight spatial configurations, it is a critical solution for industries such as satellite communications, aerospace, defense, and advanced navigation systems. Its innovative design minimizes signal loss, ensuring stable and reliable performance under demanding conditions.


Product Specifications
Below are the key technical specifications of the producst:
| Model No* | Freq Range(GHz) | VSWR | Standard Length (mm) | Flange | Material | Finish | 
| ADM-84DRWTA...PM | 0.84-2 | ≤1.25 | 500 | FP/FM | Al | Chromate conversion | 
| ADM-150DRWTA...PM | 1.5-3.6 | ≤1.25 | 400 | FP/FM | Al | Chromate conversion | 
| ADM-200DRWTA...PM | 2-4.8 | ≤1.25 | 400 | FP/FM | Al | Chromate conversion | 
| ADM-250DRWTA...PM | 2.6-7.8 | ≤1.25 | 300 | FP/FM | Al | Chromate conversion | 
| ADM-350DRWTA...PM | 3.5-8.2 | ≤1.25 | 300 | FP/FM | Al | Chromate conversion | 
| ADM-475DRWTA...PM | 4.75-11 | ≤1.25 | 300 | FP/FM | Cu | Silver Plating | 
| ADM-500DRWTA...PM | 5-18 | ≤1.25 | 200 | FP/FM | Cu | Silver Plating | 
| ADM-580DRWTA...PM | 5.8-16 | ≤1.25 | 200 | FP/FM | Cu | Silver Plating | 
| ADM-650DRWTA...PM | 6.5-18 | ≤1.25 | 200 | FP/FM | Cu | Silver Plating | 
| ADM-750DRWTA...PM | 7.5-18 | ≤1.25 | 200 | FP/FM | Cu | Silver Plating | 
| ADM-700DRWTA...PM | 7-18.5 | ≤1.25 | 200 | FP/FM | Cu | Silver Plating | 
| ADM-1100DRWTA...PM | 11-26.5 | ≤1.25 | 150 | FP/FM | Cu | Silver Plating | 
| ADM-1800DRWTA...PM | 18-40 | ≤1.3 | 80 | FP/FM | Cu | Silver Plating | 
Double Ridge Twist Waveguide Benefits
- Enhanced Signal Integrity: Double Ridge Twist Waveguide reduces transmission loss, ensuring consistent performance across frequencies.
- Compact Design: Ideal for applications requiring efficient use of space.
- Durability: Built with robust materials that withstand harsh environments.
- Customizable Features: Tailored to meet specific application requirements.
- High Compatibility: Supports integration with a range of microwave components.
Technical Features
- Wide Frequency Range: The exceptional frequency range of this product, from 5 GHz to 110 GHz, makes it a versatile solution for a wide variety of applications. 
- Precision Machining: The precision machining techniques employed in the manufacturing of this product guarantee consistent and accurate dimensions. The consistent dimensions enabled by the precision machining process ensure that the product can be integrated into complex systems with confidence, knowing that it will perform as expected. 
- Low VSWR: Minimizing signal reflection is a critical aspect of efficient signal transmission, and this product excels in this regard with its low Voltage Standing Wave Ratio (VSWR). 
- Advanced Plating Options: To provide superior protection against corrosion and environmental wear, this product offers advanced plating options.By extending the product's lifespan and maintaining its integrity, the advanced plating options contribute to the overall reliability and longevity of the system in which it is deployed. 
Product Applications
The Double Ridge Twist Waveguide is utilized in:
- Satellite Communications: Enables secure and efficient data transmission between satellites and ground stations.
- Defense and Aerospace: Facilitates radar and navigation system enhancements.
- Telecommunications: Enhances signal routing for base station and antenna networks.
- Research and Development: Supports innovations in microwave technology and wave propagation.
OEM Services
At Advcanced Microwave Technologies Co., Ltd, we provide comprehensive OEM services to meet unique industry demands. Our customization capabilities include:
- Frequency Band Adjustments: Tailored to support specific operational needs.
- Material Selection: Options for lightweight or corrosion-resistant materials.
- Size Modifications: Designed to fit compact or unconventional spaces.
- Expert Technical Support: Includes installation guidance and system integration recommendations.
FAQ
1. What is the primary purpose of it?
It is designed to guide microwave signals efficiently while adjusting the wave polarization or direction, making it ideal for compact system configurations.
2. Can I request a customized design?
Yes! We offer customization for material, dimensions, and frequency range to ensure compatibility with your application.
3. Are these waveguides compliant with environmental regulations?
Absolutely. Our waveguides are RoHS-compliant and manufactured to meet ISO 9001 standards.
Contact Us
Ready to enhance your system’s performance with the Double Ridge Twist Waveguide? Our team is here to help.
Email: [sales@admicrowave.com]
YOU MAY LIKE
 VIEW MOREDouble Ridge Straight Waveguide VIEW MOREDouble Ridge Straight Waveguide
 VIEW MOREDouble Ridge Waveguide Bend VIEW MOREDouble Ridge Waveguide Bend
 VIEW MOREDouble Ridged Flexible Waveguide VIEW MOREDouble Ridged Flexible Waveguide
 VIEW MOREDouble Ridge Waveguide Load VIEW MOREDouble Ridge Waveguide Load
 VIEW MOREDouble Ridge Waveguide Rotary Joint VIEW MOREDouble Ridge Waveguide Rotary Joint
 VIEW MOREDouble-Ridged Waveguide Loop Coupler VIEW MOREDouble-Ridged Waveguide Loop Coupler
 VIEW MOREDouble-Ridged Waveguide Broadwall Directional Coupler VIEW MOREDouble-Ridged Waveguide Broadwall Directional Coupler
 VIEW MOREDouble Ridge Waveguide Tube VIEW MOREDouble Ridge Waveguide Tube

 
  
  
 


