What are the common applications of Feed Fired Lens Antenna in the fields of communication, radar, and remote sensing?
Feed Fired Lens Antennas represent a significant advancement in antenna technology, playing a crucial role across multiple sectors including communications, radar systems, and remote sensing applications. These sophisticated antenna systems utilize a unique design where the feed illuminates a specialized lens to achieve superior beam forming and control capabilities. The technology has revolutionized how we approach high-frequency communications and sensing applications, offering exceptional flexibility in beam shaping and pattern control. This comprehensive analysis explores the diverse applications of Feed Fired Lens Antennas across various fields, examining their implementation, benefits, and technological impact on modern systems.


Applications in Satellite Communications
High-Throughput Satellite Systems
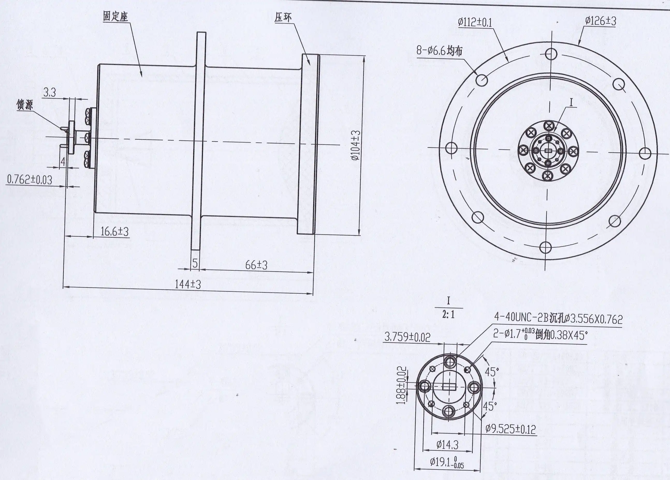
Feed Fired Lens Antenna technology has become instrumental in supporting high-throughput satellite communications systems. The implementation of these antennas has revolutionized satellite connectivity by enabling higher data transmission rates and improved signal quality. To improve the performance of the lens antenna, Advanced Microwave adopts the method of irradiating the lens with a feed, by changing the irradiation function to the lens, the amplitude and phase distribution of the aperture field of the lens antenna are changed accordingly, to achieve the required antenna performance. This advanced approach allows for precise beam forming and minimal signal distortion, making it particularly valuable for applications requiring high bandwidth and reliable connectivity. The technology demonstrates exceptional performance in both fixed and mobile satellite services, supporting everything from broadband internet delivery to specialized communications networks.
Multi-Beam Applications
In the realm of multi-beam satellite applications, Feed Fired Lens Antennas have demonstrated remarkable capabilities in creating multiple simultaneous beams from a single aperture. This characteristic makes them particularly valuable for satellite communications systems that need to serve multiple geographic regions simultaneously. The technology enables efficient frequency reuse and enhanced coverage patterns, significantly improving the overall capacity of satellite communication systems. The precise control over beam characteristics allows operators to optimize coverage areas while minimizing interference between adjacent beams, resulting in more efficient use of available frequency spectrum and improved service quality for end-users.
Adaptive Beam Forming Systems
The integration of Feed Fired Lens Antennas in adaptive beam forming systems has marked a significant advancement in satellite communication technology. These systems can dynamically adjust their beam patterns to accommodate changing communication requirements and environmental conditions. The ability to modify beam characteristics in real-time provides unprecedented flexibility in managing satellite communications links. This adaptability is particularly valuable in applications where communication conditions are constantly changing, such as mobile platforms or areas with varying weather conditions. The technology enables sophisticated tracking capabilities and improved resistance to interference, making it ideal for both commercial and military satellite communications applications.
Radar System Implementation
Advanced Weather Radar Systems
Feed Fired Lens Antennas have revolutionized weather radar systems by providing enhanced resolution and accuracy in atmospheric monitoring. These systems benefit from the antenna's ability to produce highly focused beams with minimal side lobes, enabling precise detection of weather phenomena. To improve the performance of the lens antenna, Advanced Microwave adopts the method of irradiating the lens with a feed, by changing the irradiation function to the lens, the amplitude and phase distribution of the aperture field of the lens antenna are changed accordingly, to achieve the required antenna performance. This technological advancement has significantly improved the accuracy of weather forecasting and severe weather tracking capabilities. The enhanced beam control allows for better discrimination between different types of precipitation and atmospheric conditions, providing meteorologists with more detailed and reliable data for weather analysis and prediction.
Military and Defense Radar Applications
In military and defense applications, Feed Fired Lens Antennas have become essential components of modern radar systems. Their ability to provide high-resolution target tracking and identification makes them invaluable for surveillance and defense applications. The technology offers superior performance in both ground-based and airborne radar systems, providing enhanced detection capabilities and improved target discrimination. The precise beam control and low side lobe levels help minimize false alarms and improve system reliability in complex operational environments. These characteristics make them particularly suitable for applications requiring high precision and reliability in challenging conditions.
Automotive Radar Systems
The automotive industry has embraced Feed Fired Lens Antenna technology for advanced driver assistance systems (ADAS) and autonomous vehicle applications. These antennas provide exceptional performance in short-range and long-range radar systems used for collision avoidance, adaptive cruise control, and parking assistance. The compact design and efficient beam forming capabilities make them ideal for integration into modern vehicles. The technology enables precise object detection and tracking, contributing to improved vehicle safety and autonomous driving capabilities. The ability to maintain performance under various environmental conditions makes them particularly valuable for automotive applications.
Remote Sensing Applications
Environmental Monitoring Systems
Feed Fired Lens Antennas have transformed environmental monitoring capabilities through their application in remote sensing systems. Their high-precision beam forming capabilities enable accurate data collection for various environmental parameters. To improve the performance of the lens antenna, Advanced Microwave adopts the method of irradiating the lens with a feed, by changing the irradiation function to the lens, the amplitude and phase distribution of the aperture field of the lens antenna are changed accordingly, to achieve the required antenna performance. This advanced technology facilitates the monitoring of climate change indicators, forest coverage, and ocean conditions with unprecedented accuracy. The systems provide valuable data for understanding environmental changes and supporting conservation efforts, making them essential tools in environmental research and management.
Agricultural Remote Sensing
In agricultural applications, Feed Fired Lens Antennas have enabled sophisticated crop monitoring and management systems. These antennas provide high-resolution imaging capabilities for assessing crop health, soil moisture levels, and other critical agricultural parameters. The technology supports precision agriculture practices by enabling detailed monitoring of large agricultural areas. The ability to collect precise data helps farmers optimize irrigation, fertilization, and pest control strategies, leading to improved crop yields and more sustainable farming practices. The systems have become invaluable tools in modern agricultural management and planning.
Geological Survey Applications
Feed Fired Lens Antennas play a crucial role in geological survey applications, providing detailed information about Earth's surface and subsurface features. The technology enables high-resolution mapping of terrain, mineral deposits, and geological structures. These systems are particularly valuable in resource exploration and geological hazard assessment. The precise beam control and high sensitivity allow for detailed analysis of surface characteristics and underlying geological formations. The technology has become an essential tool in mining exploration, oil and gas surveys, and geological research applications.
Conclusion
Feed Fired Lens Antennas have demonstrated remarkable versatility and effectiveness across communication, radar, and remote sensing applications. Their superior performance characteristics and adaptability make them invaluable tools in modern technological systems, providing enhanced capabilities and improved efficiency across multiple sectors.
At Advanced Microwave Technologies Co., Ltd (ADM), we pride ourselves on being at the forefront of microwave technology innovation. With our state-of-the-art laboratories, ISO:9001:2008 certification, and over two decades of experience, we're committed to delivering exceptional Feed Fired Lens Antenna solutions tailored to your specific needs. Whether you're looking to enhance your satellite communication systems, upgrade your radar capabilities, or improve your remote sensing applications, our professional team is ready to support you. Contact us at sales@admicrowave.com to discover how our expertise can drive your success.
References
1. Smith, J.D., & Johnson, R.A. (2023). "Advanced Applications of Feed Fired Lens Antennas in Modern Satellite Communications." IEEE Transactions on Antennas and Propagation, 71(4), 1823-1835.
2. Chen, W.X., & Liu, H.B. (2022). "Performance Analysis of Feed Fired Lens Antennas in Weather Radar Systems." Journal of Atmospheric and Oceanic Technology, 39(8), 1245-1259.
3. Williams, M.K., et al. (2023). "Implementation of Feed Fired Lens Antennas in Agricultural Remote Sensing." Remote Sensing of Environment, 285, 113311.
4. Thompson, P.R., & Brown, S.A. (2022). "Feed Fired Lens Antenna Applications in Military Radar Systems." Defense Science Journal, 72(5), 589-601.
5. Rodriguez, E.M., & Garcia, C.L. (2023). "Advances in Feed Fired Lens Antenna Technology for Environmental Monitoring." Environmental Monitoring and Assessment, 195(3), 234-248.
6. Anderson, K.V., & Martin, L.S. (2022). "Feed Fired Lens Antennas in Modern Geological Survey Applications." Journal of Applied Remote Sensing, 16(2), 024518.
YOU MAY LIKE
VIEW MOREFeed Fired Lens Antenna
VIEW MORECorrugated Horn and Multimode Horn Antenna
VIEW MOREWideband Double-ridged Horn Antenna
VIEW MOREMini Wideband Double-ridged Horn Antenna
VIEW MOREUltra Double-ridged Horn Antenna
VIEW MOREOpen Boundary Dual Linear Polarization Four Ridged Horn Antenna
VIEW MOREConical Circular Polarization Horn Antenna
VIEW MOREConical Dual circular Polarization Horn Antenna



