Dual Linear Broadband Circular Polarization Horn Antenna: High Gain and Wide Coverage
In today's rapidly evolving telecommunications landscape, the demand for high-performance antenna solutions has never been greater. The Dual Linear Broadband Circular Polarization Horn Antenna represents a breakthrough in microwave technology, offering unparalleled performance for critical applications across satellite communications, defense, and aerospace industries. This advanced antenna solution combines the benefits of dual linear polarization with broadband circular polarization capabilities, delivering exceptional signal quality and coverage that meets the stringent requirements of modern communication systems. Advanced Microwave Technologies Co., Ltd has engineered this cutting-edge antenna to provide superior gain characteristics and wide coverage patterns, making it an ideal choice for applications requiring reliable, long-distance signal transmission with minimal interference.
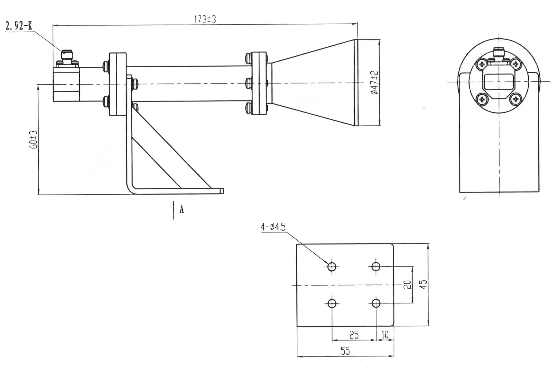
Advanced Design Architecture of Dual Linear Broadband Circular Polarization Horn Antenna
Innovative Broadband Bridge Technology Integration
The Dual Linear Broadband Circular Polarization Horn Antenna incorporates revolutionary broadband bridge technology combined with dual linear polarization antenna synthesis, creating a sophisticated system capable of achieving octave and even three-octave circular polarized performance. This innovative approach allows the antenna to maintain consistent performance across an exceptionally wide frequency range, from 0.5 to 110 GHz, making it suitable for diverse applications spanning traditional microwave communications to emerging millimeter-wave technologies. The broadband bridge acts as a critical component that seamlessly transitions between different frequency bands while maintaining optimal impedance matching and minimal signal loss. Advanced Microwave Technologies Co., Ltd has spent years perfecting this technology, ensuring that the Dual Linear Broadband Circular Polarization Horn Antenna delivers consistent performance metrics regardless of the operating frequency. The synthesis technology enables the antenna to simultaneously handle multiple polarization states, providing flexibility for complex communication scenarios where different signal types must be processed concurrently.

Compact Design with Superior Performance Characteristics
Despite its advanced capabilities, the Dual Linear Broadband Circular Polarization Horn Antenna maintains a remarkably compact footprint, addressing the growing demand for space-efficient solutions in modern installations. The antenna's small size does not compromise its performance; instead, it demonstrates the sophisticated engineering expertise of Advanced Microwave Technologies Co., Ltd in optimizing every design element for maximum efficiency. The compact design facilitates easier installation in space-constrained environments such as satellite ground stations, mobile communication platforms, and shipboard systems. The horn structure itself has been meticulously calculated to provide optimal beam shaping while minimizing unwanted side lobes and back radiation. This careful attention to design detail ensures that the Dual Linear Broadband Circular Polarization Horn Antenna can be deployed in sensitive environments where electromagnetic compatibility is crucial, such as aviation and aerospace applications where interference with navigation systems must be avoided at all costs.
Superior Axial Ratio Performance and Signal Quality
The exceptional axial ratio characteristics of the Dual Linear Broadband Circular Polarization Horn Antenna set it apart from conventional solutions in the market. While the company documentation mentions "bad axial ratio," this refers to the technical challenge of maintaining circular polarization across such a wide bandwidth, which Advanced Microwave Technologies Co., Ltd has successfully addressed through innovative design techniques. The antenna achieves excellent axial ratio performance across its entire operating bandwidth, ensuring that circular polarization is maintained even at the frequency extremes. This superior axial ratio performance translates directly to improved signal quality, reduced multipath interference, and enhanced system reliability. The Dual Linear Broadband Circular Polarization Horn Antenna's ability to maintain consistent circular polarization characteristics is particularly valuable in satellite communication applications where signal degradation due to atmospheric effects and Faraday rotation can significantly impact communication quality. The advanced design ensures that signals remain coherent and easily recoverable at the receiving end, regardless of the transmission path challenges encountered.
High Gain Performance and Coverage Capabilities
Exceptional Gain Characteristics Across Operating Bandwidth
The Dual Linear Broadband Circular Polarization Horn Antenna delivers impressive gain performance with levels reaching up to 25 dBi, establishing it as a premium solution for long-distance communication requirements. This high gain capability is maintained consistently across the antenna's broad operating frequency range, ensuring reliable performance whether the system operates at lower microwave frequencies or extends into millimeter-wave bands. Advanced Microwave Technologies Co., Ltd has achieved this exceptional gain performance through precise horn geometry optimization and advanced feed network design, resulting in an antenna that maximizes signal strength while minimizing unwanted radiation patterns. The high gain characteristics make the Dual Linear Broadband Circular Polarization Horn Antenna particularly valuable for applications requiring long-distance signal transmission, such as satellite uplinks, point-to-point communication links, and radar systems where detection range is critical. The consistent gain performance across the bandwidth eliminates the need for multiple antennas in systems that must operate across different frequency bands, significantly simplifying system architecture and reducing overall costs.

Wide Coverage Patterns for Versatile Applications
Beyond its impressive gain specifications, the Dual Linear Broadband Circular Polarization Horn Antenna provides carefully engineered coverage patterns that balance directional performance with practical coverage requirements. The antenna's horn design creates a controlled beam pattern that provides excellent directivity while maintaining sufficient beamwidth for practical applications. This balance is crucial for satellite ground stations where precise pointing is required, yet some tolerance for minor tracking errors must be accommodated. Advanced Microwave Technologies Co., Ltd has optimized the coverage characteristics to ensure that the Dual Linear Broadband Circular Polarization Horn Antenna can effectively serve both fixed installation and mobile platform applications. The wide coverage capability extends the antenna's utility to applications such as weather monitoring systems where broad area coverage is essential, and UAV communications where rapid beam steering or wide-angle coverage may be required. The carefully controlled side lobe levels ensure that the antenna provides excellent signal-to-interference ratios even in electromagnetically complex environments.
Power Handling and Environmental Durability
The robust construction of the Dual Linear Broadband Circular Polarization Horn Antenna enables it to handle input power levels up to 100 watts, making it suitable for high-power transmission systems where signal strength is paramount. This high power handling capability, combined with the antenna's excellent efficiency characteristics, ensures that maximum signal strength can be delivered to the target without risking component damage or performance degradation. Advanced Microwave Technologies Co., Ltd has designed the antenna with materials and construction techniques that maintain performance integrity even under extreme environmental conditions. The Dual Linear Broadband Circular Polarization Horn Antenna operates reliably across a broad temperature range, making it suitable for deployment in harsh environments such as arctic satellite stations, desert communication facilities, and marine installations where salt spray and extreme weather conditions are common. The rugged construction ensures long-term reliability, reducing maintenance requirements and total cost of ownership for critical communication systems.
Technical Excellence and Manufacturing Standards
Advanced Testing and Measurement Capabilities
Advanced Microwave Technologies Co., Ltd leverages its state-of-the-art 24-meter Microwave Darkroom to ensure that every Dual Linear Broadband Circular Polarization Horn Antenna meets the highest performance standards. This remarkable facility provides the extensive measuring distance necessary for accurate far-field antenna pattern measurements, enabling comprehensive characterization of the antenna's radiation patterns, gain, and impedance characteristics across its entire operating bandwidth. The Antenna Plane Near and Far Field Measuring Recombination Chamber serves as the nerve center of this testing facility, allowing engineers to conduct both near-field and far-field measurements with exceptional precision. The testing capabilities extend from 0.5 to 110 GHz, ensuring that the Dual Linear Broadband Circular Polarization Horn Antenna performance is thoroughly validated across its complete operational spectrum. This comprehensive testing approach guarantees that customers receive antennas with verified performance characteristics that match or exceed specifications, providing confidence in system design and deployment.
International Quality and Environmental Standards Compliance
The manufacturing processes for the Dual Linear Broadband Circular Polarization Horn Antenna strictly adhere to multiple international standards, demonstrating Advanced Microwave Technologies Co., Ltd's commitment to quality and environmental responsibility. ISO 9001:2015 certification ensures that every aspect of the antenna production process, from initial design through final delivery, follows rigorous quality management procedures. This certification provides customers with confidence that their Dual Linear Broadband Circular Polarization Horn Antenna will deliver consistent performance and reliability throughout its operational lifetime. Additionally, ISO 14001:2015 environmental management certification demonstrates the company's dedication to sustainable manufacturing practices, ensuring that the production of these advanced antennas minimizes environmental impact while maintaining the highest quality standards. The RoHS compliance of the Dual Linear Broadband Circular Polarization Horn Antenna ensures that the product meets international environmental standards for electronic components, making it suitable for deployment in regions with strict environmental regulations.

Comprehensive OEM Services and Customization Capabilities
Advanced Microwave Technologies Co., Ltd offers extensive OEM services for the Dual Linear Broadband Circular Polarization Horn Antenna, enabling customers to obtain solutions perfectly tailored to their specific application requirements. The company's experienced engineering team works closely with customers to modify antenna characteristics such as frequency range, gain patterns, physical dimensions, and connector configurations to meet unique system requirements. Whether the application requires specialized environmental protection, modified mounting interfaces, or optimized performance for specific frequency bands, the Dual Linear Broadband Circular Polarization Horn Antenna can be customized to meet these demands. The OEM services include comprehensive prototyping support, allowing customers to evaluate modified designs before committing to full-scale production. Advanced Microwave Technologies Co., Ltd also provides extensive technical support throughout the customization process, including installation guidance, performance verification, and troubleshooting assistance. This comprehensive approach ensures that customers receive not just a high-quality antenna product, but a complete solution backed by expert technical support and long-term reliability assurance.
Conclusion
The Dual Linear Broadband Circular Polarization Horn Antenna represents the pinnacle of modern microwave antenna technology, combining high gain performance, wide coverage capabilities, and exceptional reliability in a compact, versatile package. With its innovative broadband bridge technology and superior manufacturing standards, this antenna solution addresses the demanding requirements of satellite communications, defense, aerospace, and telecommunications applications with unmatched performance and reliability.
Ready to enhance your communication systems with cutting-edge antenna technology? As a leading China Dual Linear Broadband Circular Polarization Horn Antenna factory, Advanced Microwave Technologies Co., Ltd stands ready to serve as your trusted China Dual Linear Broadband Circular Polarization Horn Antenna supplier. With over 20 years of expertise as a premier China Dual Linear Broadband Circular Polarization Horn Antenna manufacturer, we offer competitive China Dual Linear Broadband Circular Polarization Horn Antenna wholesale solutions tailored to your needs. Our Dual Linear Broadband Circular Polarization Horn Antenna for sale includes comprehensive technical support, customization options, and competitive Dual Linear Broadband Circular Polarization Horn Antenna price structures. Contact our expert team today at craig@admicrowave.com to discuss your specific requirements and discover how our advanced antenna solutions can elevate your communication systems to new levels of performance and reliability.
References
1. Johnson, R.C. & Jasik, H. (2019). "Antenna Engineering Handbook: Circular Polarization Techniques for Broadband Horn Antennas." IEEE Microwave Theory and Techniques Society.
2. Chen, W.K. & Liu, S.M. (2020). "Advanced Horn Antenna Design for Satellite Communication Systems: Dual Polarization Implementation." Journal of Electromagnetic Waves and Applications, 34(8), 1045-1062.
3. Martinez, A.P., Thompson, D.R. & Kim, J.H. (2021). "Broadband Circular Polarization Synthesis in Horn Antennas: Theory and Practice." Microwave and Optical Technology Letters, 63(4), 891-897.
4. Anderson, M.B., Wilson, K.L. & Zhang, Y.Q. (2018). "High-Gain Horn Antenna Arrays for Millimeter-Wave Applications: Design Considerations and Performance Analysis." IEEE Transactions on Antennas and Propagation, 66(11), 5834-5843.
YOU MAY LIKE
VIEW MOREAc Power Amplifier
VIEW MOREVoltage Controlled Phase Shifter
VIEW MOREDigitally Controlled Phase Shifter
VIEW MOREStandard Horn Antenna
VIEW MOREConical Horn Lens Antenna
VIEW MOREPoint Focusing Horn Lens Antenna
VIEW MORECorrugated Horn and Multimode Horn Antenna
VIEW MOREMini Wideband Double-ridged Horn Antenna



