Circular Waveguide Transition
Circular Waveguide Transition Introduction
When it comes to innovative microwave components, Advanced Microwave Technologies Co., Ltd. is your reliable partner. Our Circular Waveguide Transitions are painstakingly crafted to satisfy the exacting requirements of sectors such as defense, aerospace, and satellite communications. With more than three decades of experience, ISO 9001:2008 certification, and RoHS compliance, we provide excellent, adaptable solutions that meet your unique requirements.
Product Introduction
A crucial part of contemporary radar and communication systems, the waveguide transition allows signals to move smoothly between circular and rectangular waveguides. Even at high frequencies, these transitions, which are designed for maximum performance, reduce transmission loss and guarantee excellent signal integrity. Our products ensure dependable and effective performance whether you are working on navigation technologies, radar systems, or satellite communication.


Product Specifications
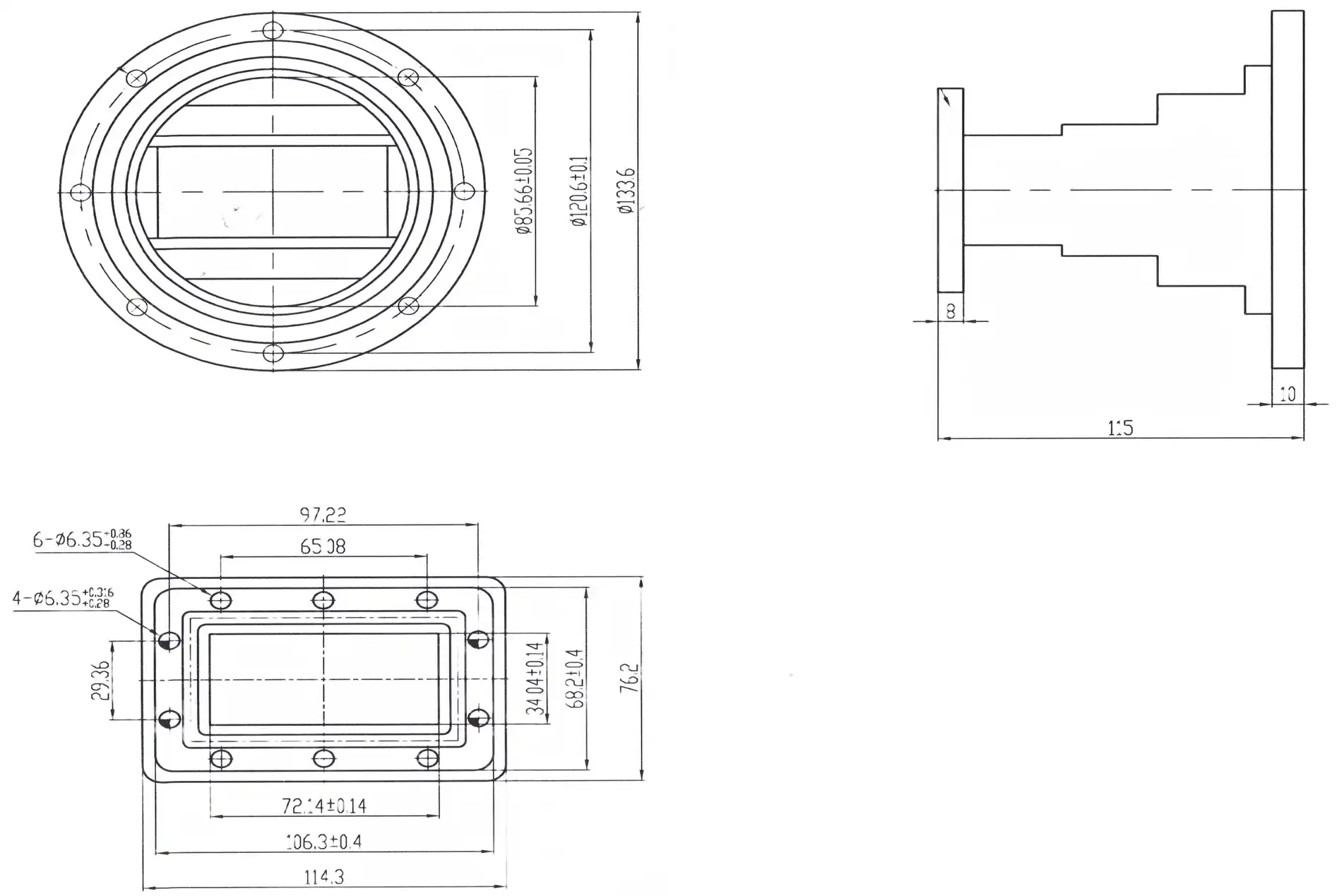
Model No* | Freq Range(GHZ) | Length(mm) | VSWR | Rectangular Waveguide Type | Inner Diameter of Circular waveguide (mm) | Material | Finish | |
IEC | EIA | |||||||
ADM-14RCA157 | 1.30-1.70 | 920 | ≤1.10 | BJ14 | WR650 | 157 | Al | Chromate conversion |
ADM-18RCA114.58 | 1.76-2.2002 | 820 | ≤1.10 | BJ18 | WR510 | 114.58 | Al | Chromate conversion |
ADM-22RCA97.87 | 2.07-2.61 | 580 | ≤1.10 | BJ22 | WR430 | 97.87 | Al | Chromate conversion |
ADM-26RCA83.62 | 2.42-3.30 | 500 | ≤1.10 | BJ26 | WR340 | 83.62 | Al | Chromate conversion |
ADM-32RCA71.42 | 2.83-3.88 | 420 | ≤1.10 | BJ32 | WR284 | 71.42 | Al | Chromate conversion |
ADM-40RCA51.99 | 3.22-4.90 | 350 | ≤1.10 | BJ40 | WR229 | 51.99 | Al | Chromate conversion |
ADM-48RCA44.45 | 3.94-5.33 | 300 | ≤1.10 | BJ48 | WR187 | 44.45 | Al | Chromate conversion |
ADM-58RCA38.1 | 5.3-7.05 | 230 | ≤1.10 | BJ58 | WR159 | 38.1 | Al | Chromate conversion |
ADM-70RCA32.537 | 6.21-8.17 | 200 | ≤1.10 | BJ70 | WR137 | 32.537 | Al | Chromate conversion |
ADM-84RCA27.788 | 7.30-9.97 | 200 | ≤1.10 | BJ84 | WR112 | 27.788 | Al | Chromate conversion |
ADM-100RCA23.825 | 8.50-11.6 | 160 | ≤1.10 | BJ100 | WR90 | 23.825 | Cu | Silver Plating |
ADM-120RCA17.415 | 11.6-15.0 | 130 | ≤1.10 | BJ120 | WR75 | 17.415 | Cu | Silver Plating |
ADM-140RCA15.088 | 13.4-18.0 | 100 | ≤1.10 | BJ140 | WR62 | 15.088 | Cu | Silver Plating |
ADM-180RCA12.7 | 15.9-21.8 | 100 | ≤1.15 | BJ180 | WR51 | 12.7 | Cu | Silver Plating |
ADM-220RCA9.525 | 21.2-26.7 | 60 | ≤1.15 | BJ220 | WR42 | 9.525 | Cu | Silver Plating |
ADM-260RCA8.331 | 24.3-33.0 | 60 | ≤1.15 | BJ260 | WR34 | 8.331 | Cu | Silver Plating |
ADM-320RCA7.137 | 31.8-40 | 50 | ≤1.15 | BJ320 | WR28 | 7.137 | Cu | Silver Plating |
ADM-400RCA5.563 | 36.4-49.8 | 50 | ≤1.15 | BJ400 | WR22 | 5.563 | Cu | Gold Plating |
ADM-500RCA4.369 | 46.3-59.6 | 40 | ≤1.15 | BJ500 | WR19 | 4.369 | Cu | Gold Plating |
ADM-620RCA3.581 | 56.6-75.8 | 30 | ≤1.15 | BJ620 | WR15 | 3.581 | Cu | Gold Plating |
ADM-740RCA3.175 | 63.5-87.2 | 30 | ≤1.15 | BJ740 | WR12 | 3.175 | Cu | Gold Plating |
ADM-900RCA2.388 | 84.8-112 | 20 | ≤1.15 | BJ900 | WR10 | 2.388 | Cu | Gold Plating |
Product Benefits
- Improved Signal Integrity: Guarantees steady performance in high-frequency bands and lowers transmission loss.
- Sturdy Construction: Constructed from high-quality materials for resilience in challenging conditions.
- Customizable Design: Made to fit the particular requirements of your application.
- Simple Integration: Adaptable to a variety of waveguide configurations.
- Cost-effective: Reliable and long-lasting, lowering maintenance expenses.
Technical Features
- Broad Frequency Range Support: For high-bandwidth applications, it functions efficiently up to 110 GHz.
- Precision engineering guarantees optimal efficiency and little signal distortion.
- Material Flexibility: Depending on the needs of the project, select copper, aluminum, or custom materials.
- Advanced Testing: To guarantee performance consistency, every product is put through a rigorous testing process.
Circular Waveguide Transition Applications
Several industries make use of our Circular Waveguide Transition:
- Optimize the transfer of signals for both uplink and downlink satellite communications systems.
- Aerospace & Defense: Perfect for advanced weapon systems, radar, and navigation.
- Telecommunications: Make long-distance communication networks and base stations more efficient.
OEM Services
To meet your unique needs, Advanced Microwave Technologies Co., Ltd. provides a wide range of OEM services:
- Custom Designs: For special uses, modify the frequency range, size, and material.
- Technical Support: Professional advice on product matching, installation, and troubleshooting.
- Worldwide Delivery: On-time delivery to fulfill project deadlines is guaranteed by a dependable supply chain.
FAQ
Q: What is the purpose of a Waveguide Transition?
A: It enables efficient signal transfer between circular and rectangular waveguides, minimizing loss and distortion.
Q: Can I request a custom material for the transition?
A: Yes, we offer customization options, including material selection to match your application needs.
Q: Are these products RoHS compliant?
A: Yes, all our products meet RoHS environmental standards.
Q: How do I ensure compatibility with my system?
A: Our technical support team will assist you in selecting and integrating the right waveguide transition for your setup.
Contact Us
Partner with Advanced Microwave Technologies Co., Ltd for premium Circular Waveguide Transition tailored to your needs.
📧 Email: sales@admicrowave.com












