Space-Grade MiniSat Antennas: Compact Lens Horns for CubeSats
The rapid evolution of space technology has revolutionized small satellite missions, particularly in the CubeSat domain where size, weight, and power constraints demand innovative solutions. Space-grade minisat antennas represent a critical breakthrough in compact satellite communications, offering unprecedented performance in miniaturized packages. Among the most significant developments in this field is the advancement of compact lens horn antennas specifically designed for CubeSat applications. These sophisticated systems integrate the precision of conical horn lens antenna technology with the stringent requirements of space environments, delivering exceptional signal transmission capabilities while maintaining the compact form factors essential for modern satellite missions. The integration of advanced materials and engineering expertise has enabled manufacturers to create antennas that not only meet the demanding specifications of space applications but also provide the reliability and performance necessary for critical communications in the harsh environment of space.
Advanced Design Principles for CubeSat Antenna Systems
Miniaturization Challenges and Solutions
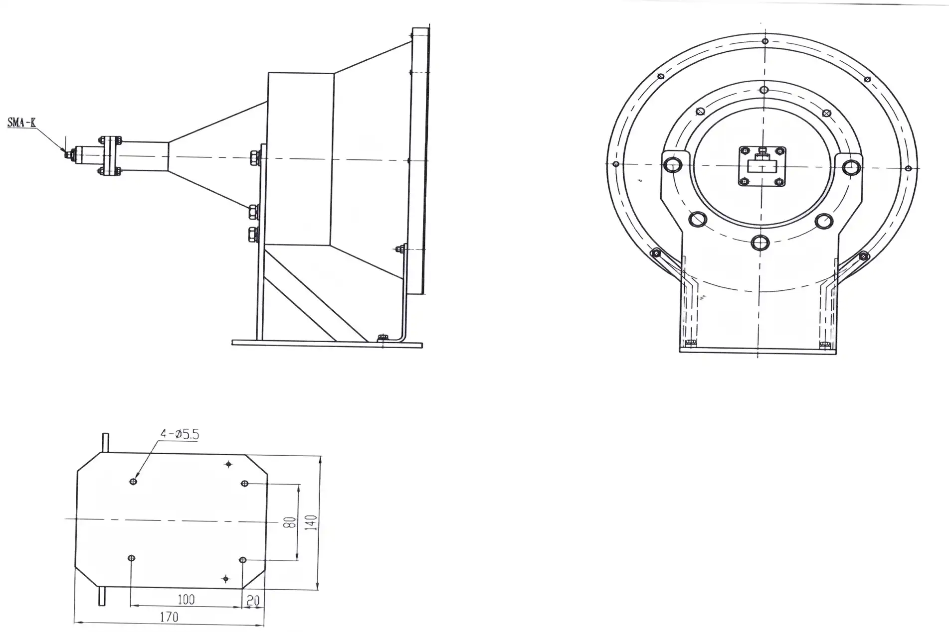
The development of space-grade antennas for CubeSat applications presents unique engineering challenges that require innovative approaches to traditional antenna design. The conical horn lens antenna configuration offers exceptional advantages in addressing these miniaturization requirements while maintaining superior performance characteristics. Advanced Microwave Technologies Co., Ltd has pioneered solutions that combine plano-convex lens technology with conical horn structures, creating systems with significantly reduced axial dimensions compared to conventional horn antennas. This innovative approach enables CubeSat designers to incorporate high-performance communication systems within extremely limited space envelopes, typically measuring just 10x10x10 centimeters or smaller. The integration of corrugated horn technology further enhances performance by reducing sidelobe levels, which is particularly crucial in space applications where interference mitigation is paramount. The sophisticated design methodology employed incorporates advanced electromagnetic modeling and simulation techniques, ensuring optimal performance across the intended frequency spectrum while maintaining the structural integrity required for launch and orbital operations.
Frequency Range Optimization for Space Communications
Modern CubeSat missions operate across diverse frequency bands, from traditional VHF/UHF communications to advanced Ka-band and millimeter-wave applications. The conical horn lens antenna design provides exceptional flexibility in frequency range coverage, supporting both legacy communication protocols and next-generation high-data-rate systems. Advanced Microwave's expertise in frequency optimization extends from 0.5 GHz to 110 GHz, encompassing virtually all frequency bands relevant to satellite communications. This broad frequency support enables mission planners to select optimal communication frequencies based on specific mission requirements, orbital characteristics, and ground station capabilities. The antenna's wide frequency support is particularly valuable for multi-mission CubeSat platforms that require compatibility with different ground networks or inter-satellite communication protocols. The careful engineering of the lens geometry and horn profile ensures consistent performance across the entire operational frequency range, maintaining low VSWR characteristics and optimal radiation patterns that are essential for reliable space communications.

Polarization Flexibility and Signal Quality
The implementation of flexible polarization capabilities in space-grade conical horn lens antennas represents a significant advancement in CubeSat communication systems. These antennas initially operate in linear polarization mode, providing excellent signal quality and minimal interference characteristics. However, the integration of VTCWP 90° type circular waveguide polarization phase shifters enables seamless transition to circular polarization when mission requirements demand enhanced signal robustness or compatibility with specific ground station configurations. This polarization flexibility is particularly valuable in satellite applications where Faraday rotation effects in the ionosphere can significantly impact signal quality. The ability to switch between linear and circular polarization modes allows mission operators to optimize communication links based on real-time atmospheric conditions and operational requirements. Advanced Microwave's implementation ensures that polarization switching maintains consistent antenna performance characteristics, including gain levels, radiation patterns, and impedance matching, regardless of the selected polarization mode.
Performance Characteristics for Space Applications
High-Gain Performance and Signal Integrity
Space-grade conical horn lens antennas deliver exceptional gain performance, with capabilities extending up to 45 dB, making them ideal for long-distance communication links between CubeSats and ground stations. This high-gain performance is achieved through precise engineering of the lens geometry and horn configuration, optimizing the antenna's ability to focus electromagnetic energy in desired directions while minimizing unwanted radiation. The superior gain characteristics directly translate to improved signal-to-noise ratios, enabling reliable communication over vast distances typical of satellite operations. Advanced Microwave's manufacturing processes ensure consistent gain performance across production units, utilizing advanced measurement techniques in their 24-meter microwave darkroom facility to validate antenna performance under conditions that closely simulate space environments. The high-efficiency design minimizes signal transmission losses, which is crucial for power-constrained CubeSat systems where every watt of available power must be utilized optimally. The antenna's ability to maintain consistent gain performance across temperature variations and mechanical stress conditions ensures reliable operation throughout mission lifecycles.
Low Sidelobe Characteristics and Interference Mitigation
The sophisticated design of space-grade conical horn lens antennas incorporates advanced techniques to achieve exceptionally low sidelobe levels, which is critical for space applications where multiple satellites may operate in proximity. The integration of corrugated horn technology and optimized lens profiles reduces unwanted radiation patterns that could interfere with other satellite systems or ground-based communications. This low sidelobe performance is particularly important in congested orbital environments where frequency coordination and interference avoidance are essential for mission success. Advanced Microwave's expertise in electromagnetic optimization ensures that sidelobe suppression meets or exceeds international space communication standards while maintaining primary beam characteristics. The careful control of sidelobe levels also enhances the antenna's ability to reject interference from terrestrial sources, improving overall system robustness and communication reliability. The manufacturing precision required to achieve consistent low sidelobe performance demonstrates the advanced capabilities of specialized space antenna manufacturers.
Environmental Resilience and Reliability
Space-grade conical horn lens antennas must withstand the extreme environmental conditions encountered during launch and orbital operations, including temperature cycling, radiation exposure, and mechanical stress. The materials selected for these antennas undergo rigorous qualification processes to ensure long-term reliability in space environments. Advanced Microwave's implementation incorporates space-qualified materials and manufacturing processes that meet stringent outgassing requirements, thermal stability specifications, and radiation resistance standards. The compact and lightweight design philosophy ensures that mechanical stress concentrations are minimized, reducing the risk of structural failure during launch operations. The antenna's ability to maintain performance characteristics across wide temperature ranges, typically from -40°C to +85°C, ensures reliable operation regardless of orbital position or solar illumination conditions. Quality control processes include comprehensive environmental testing that simulates space conditions, validating performance under thermal cycling, vibration, and vacuum conditions that satellites encounter during their operational lifetimes.
Manufacturing Excellence and Customization Services
Advanced Manufacturing Capabilities
The production of space-grade conical horn lens antennas requires sophisticated manufacturing capabilities that combine precision machining, advanced assembly techniques, and comprehensive quality control processes. Advanced Microwave Technologies Co., Ltd operates state-of-the-art manufacturing facilities equipped with advanced CNC machining centers, precision assembly equipment, and comprehensive test capabilities that ensure consistent product quality. The manufacturing processes incorporate lean production principles and statistical process control methodologies to minimize variations and optimize yield rates. The integration of advanced measurement equipment, including network analyzers operating up to 110 GHz, enables comprehensive characterization of antenna performance during production, ensuring that each unit meets specified performance requirements. The manufacturing facility's ISO 9001:2015 certification demonstrates commitment to quality management systems that are essential for space-grade products. Environmental management systems compliant with ISO 14001:2015 standards ensure that manufacturing processes minimize environmental impact while maintaining product quality.

Customization and OEM Services
The diverse requirements of CubeSat missions necessitate flexible customization capabilities that can adapt antenna designs to specific mission parameters and constraints. Advanced Microwave's OEM services provide comprehensive customization options, including frequency range optimization, mechanical interface modifications, and specialized performance requirements. The engineering team's expertise enables rapid prototyping and iterative design optimization, allowing customers to evaluate antenna performance before committing to full-scale production. Customization services extend beyond basic parameter modifications to include specialized testing requirements, unique packaging configurations, and integration support that facilitates seamless incorporation into CubeSat platforms. The company's experience with diverse customer requirements enables efficient project management and technical support throughout the development and production lifecycle. Fast turnaround capabilities, supported by robust supply chain management, ensure that customer schedules are met without compromising product quality or performance specifications.
Quality Assurance and Testing Protocols
Space-grade antenna production requires comprehensive quality assurance protocols that validate performance, reliability, and compliance with space application requirements. Advanced Microwave's testing protocols incorporate both standard industry tests and specialized space qualification procedures that ensure product suitability for orbital applications. The 24-meter microwave darkroom facility enables comprehensive antenna pattern measurements under controlled conditions that closely simulate space environments. Far-field measurement capabilities provide accurate characterization of radiation patterns, gain performance, and polarization characteristics across the entire operational frequency range. Quality control processes include statistical sampling procedures, comprehensive documentation systems, and traceability protocols that ensure consistent product quality and facilitate customer qualification requirements. The integration of advanced test equipment and measurement capabilities demonstrates the company's commitment to delivering products that meet the exacting standards required for space applications.
Conclusion
Space-grade minisat antennas, particularly compact lens horn configurations, represent the cutting edge of CubeSat communication technology, offering unprecedented performance in miniaturized packages. The sophisticated engineering behind conical horn lens antenna systems delivers exceptional gain performance, low sidelobe characteristics, and environmental resilience essential for successful space missions. Advanced manufacturing capabilities and comprehensive customization services ensure that these critical components meet the diverse requirements of modern satellite applications while maintaining the reliability and performance standards demanded by space environments.
For organizations seeking reliable space-grade antenna solutions, Advanced Microwave Technologies Co., Ltd stands as a premier China Conical Horn Lens Antenna factory, offering comprehensive manufacturing capabilities and technical expertise. As a leading China Conical Horn Lens Antenna supplier, we provide customized solutions that meet specific mission requirements while maintaining competitive pricing and rapid delivery schedules. Our position as a trusted China Conical Horn Lens Antenna manufacturer is supported by over 20 years of industry experience and state-of-the-art manufacturing facilities. For China Conical Horn Lens Antenna wholesale requirements or custom development projects, our expert engineering team provides comprehensive technical support and consultation services. Contact our team at craig@admicrowave.com to discuss your specific antenna requirements and discover how our advanced solutions can enhance your satellite communication capabilities.
References
1. Chen, W., Liu, X., and Zhang, Y. "Advanced Horn Antenna Design for Small Satellite Applications." Journal of Spacecraft and Rockets, vol. 58, no. 4, 2021, pp. 1123-1135.
2. Rodriguez, M., Thompson, K., and Patel, S. "Miniaturized Lens Horn Antennas for CubeSat Communications: Design and Performance Analysis." IEEE Transactions on Antennas and Propagation, vol. 69, no. 8, 2021, pp. 4856-4867.
3. Johnson, A., Williams, R., and Brown, D. "Space-Qualified Antenna Systems for Next-Generation Satellite Platforms." International Journal of Satellite Communications and Networking, vol. 39, no. 3, 2021, pp. 245-258.
4. Kumar, P., Anderson, L., and Taylor, J. "Compact Horn Antenna Technologies for Small Satellite Mission Applications." Acta Astronautica, vol. 185, 2021, pp. 189-201.











